De AD-300 durometer is simpelweg de beste hardheidstester om de weerstand van gevulkaniseerde of thermoplastische rubbers, elastomeren of zachte kunststoffen en siliconen tegen vervorming (shore) vast te stellen.
De AD-300 durometer voldoet aan meerdere internationale standaarden, waaronder:
- ISO 868 (A, D)
- DIN ISO 7619-1 (A, AO, D)
- ASTM D 2240 (A, D, C, B, DO, O, OO)
De nieuwe AD-300 durometer tilt de kwaliteit van de algemeen beschikbare durometers naar een hoger niveau. De inwendige wrijving, die bij veel durometers gebruikelijk is, wordt teruggebracht tot een absoluut minimum. In combinatie met de ergonomische gevormde grote voet worden zeer nauwkeurige en herhaalbare metingen gegarandeerd.
De AD-300 Hardheidsmeter is beschikbaar in de volgende (shore) uitvoeringen: A, D, C ,O ,OO en DO.
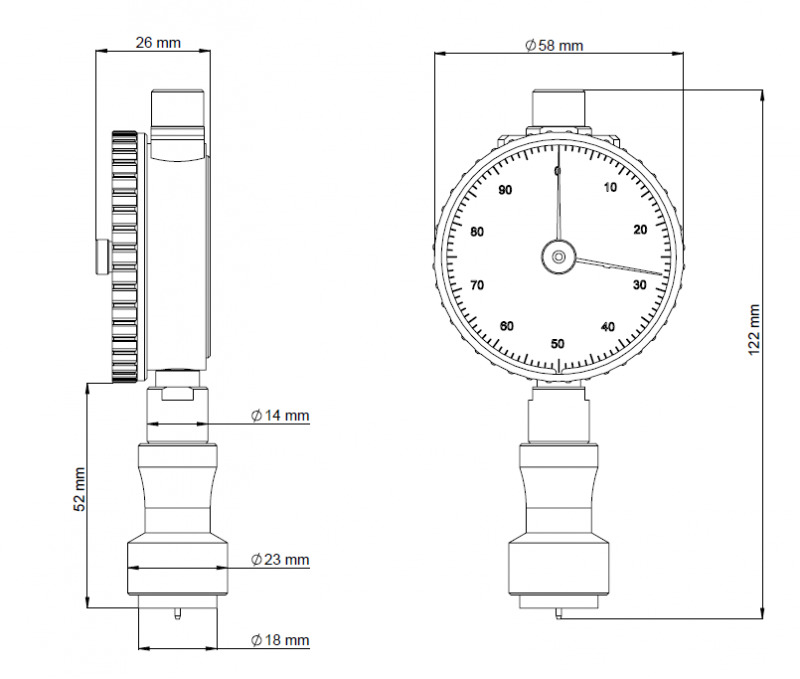
De AD-300 Durometer geeft de hardheidsmetingen weer op een goed leesbare analoge schaalverdeling. Een optioneel beschikbare GEHEUGENWIJZER blijft op de gemeten waarde staan totdat deze handmatig wordt gereset. Op deze manier kan de gebruiker zich compleet richten op het uitvoeren van de test.
De AD-300 Hardheidsmeter wordt geleverd met handleiding, draagkoffer en volledig kalibratiecertificaat.

| Model | ASTM D2240 | DIN 53505 | ISO 868 | ISO 7619 |
|---|---|---|---|---|
| AD-300-A | ||||
| AD-300-C | ||||
| AD-300-D | ||||
| AD-300-O | ||||
| AD-300-OO |
| Type | Vorm Indentor | Kracht | |
|---|---|---|---|
| A | Platte conische punt, 35º hoek Zacht rubber, plastics, elastomeren, printer rollen. |
822 Gr | |
| B | Scherpe conische punt, 30º hoek Hardere elastomeren en plastics. Papier en vezel materialen, gebruik boven 93 Duro A. |
822 Gr | |
| C | Platte conus punt, 35º hoek Medium harde elastomeren en plastics. Eveneens handig om beschadigingen aan het oppervlak te vermijden. |
4536 Gr | |
| D | Scherpe conische punt, 30º hoek Hard rubber en plastics zoals thermoplastics, vloeren en bowlingballen. |
4536 Gr | |
| DO | 3/32" Sferisch Dicht korrelig materiaal, textiel rollen. |
4536 Gr | |
| O | 3/32" Sferisch Zeer zachte elastomeren, textiel rollen, zachte korrelige materialen. Gebruik onder 20 Duro A. |
822 Gr | |
| OO | 3/32" Sferisch Lichte schuimen, sponzige rubber gel, dierlijk tissue. |
113 Gr | |
| Meetbereik | 0 - 100 eenheden |
| Diameter wijzerplaat | 57 mm |
| Totale lengte | 121 mm |
| Nauwkeurigheid | ± 0,5 punt |
| Resolutie | 1 |
| Geheugenwijzer | Optioneel |
| Internationale standaarden | ISO 868 (A, D) DIN ISO 7619-1 (A, AO, D) ASTM D 2240 (A, D, C, B, DO, O) |
| Gewicht | 184 g |