Om uw winkelervaring te optimaliseren willen wij, Checkline Europe B.V. graag cookies en/of vergelijkbare technologieën gebruiken, daarvoor is echter uw toestemming vereist. Door op de knop "Cookies accepteren" te klikken, gaat u akkoord met ons gebruik van cookies en/of vergelijkbare technologieën. Als u niet akkoord gaat, kunt u door op de knop "Cookie-instellingen" te klikken het gebruik van cookies weigeren of de instellingen voor de betreffende cookies aanpassen. Hier heeft U ook de mogelijkheid om aan te geven dat alleen bepaalde cookies, die we op onze website gebruiken, moeten worden geactiveerd. Deze banner zal worden weergegeven totdat u uw cookievoorkeuren hebt aangegeven. Als u besluit het gebruik van cookies te weigeren, zullen we geen cookies en/of vergelijkbare technologieën gebruiken, behalve die die essentieel zijn voor het goed functioneren van onze website. Klik hier voor onze privacy policy.

FS06 Trek- en Drukkrachtopnemers


Precisie-krachtopnemers met hoge capaciteit voor veelzijdige testframe-toepassingen

De FS06-serie is ontworpen voor monsters die grotere grijpers of bevestigingen vereisen bij gebruik met de Checkline/Mark-10 F105, F305, F505 en F505H testframes. Deze hoogwaardige sensoren meten zowel trek- als drukkrachten met capaciteiten van 250 N tot 2,5 kN.

Uitgerust met Plug & Test®-technologie verbinden FS06-sensoren naadloos met de F105/305/505 testframes. Alle configuratie- en kalibratiegegevens worden intern opgeslagen op de printplaat van de sensor, wat echte plug-and-play functionaliteit mogelijk maakt. Kalibratie kan ook extern worden uitgevoerd met een Mark-10 Series 5I of 7I indicator in combinatie met de AC1083 adapter.

Belangrijkste kenmerken:

  • Brede compatibiliteit: Werkt met Mark-10 F105, F305, F505 en F505H testframes.
  • Trek- en drukmeting: Meet nauwkeurig bidirectionele krachten binnen een breed capaciteitsbereik (250 N – 2,5 kN).
  • Plug & Test®-technologie: Zorgt voor automatische sensorherkenning, eenvoudige configuratie en snelle uitwisseling.
  • Intelligent kalibratiegeheugen: Alle kalibratie- en configuratiegegevens worden intern opgeslagen voor consistente resultaten.
  • Externe kalibratieoptie: Compatibel met Mark-10 Series 5I en 7I indicators via de AC1083 adapter.
  • Robuust ontwerp: Geschikt voor grotere of zwaardere grijpers zonder nauwkeurigheid te verliezen.
  • Gecertificeerde nauwkeurigheid: Wordt geleverd met een NIST-traceerbaar kalibratiecertificaat met meetgegevens.
  • Garantie: Inclusief 3 jaar fabrieksgarantie.

Belangrijkste voordelen:

  • Betrouwbare prestaties: Constante en nauwkeurige krachtmetingen in zowel trek als druk.
  • Eenvoudige integratie: Plug-and-play installatie zonder complexe instellingen.
  • Minder stilstandtijd: Snelle sensorvervanging en veldkalibratie verhogen de productiviteit.
  • Flexibele toepassingsmogelijkheden: Geschikt voor industriële, laboratorium- en kwaliteitscontrole-omgevingen.

 

Neem contact met ons op voor meer informatie of een offerte. Ons team helpt u graag bij het kiezen van de juiste FS06-sensorconfiguratie voor uw testframe en toepassingsvereisten.

Kenmerken

  • Meettype: Trek en druk
  • Capaciteitsbereik: 250 N – 2,5 kN
  • Compatibiliteit: Ontworpen voor gebruik met Mark-10 F105, F305, F505 en F505H testframes
  • Constructie: Robuust ontwerp geschikt voor grotere grijpers en zware bevestigingen
  • Nauwkeurigheidscertificering: Geleverd met NIST-traceerbaar kalibratiecertificaat inclusief meetgegevens
  • Montage: Compatibel met standaard Mark-10 testframe-accessoires
  • Garantie: 3 jaar fabrieksgarantie
  • Technologie: Plug & Test® slimme sensorinterface
  • Kalibratiegegevens: Intern opgeslagen op de PCB van de sensor voor plug-and-play gebruik
  • Externe kalibratie: Kan extern worden gekalibreerd met Mark-10 Series 5I of 7I indicators via de AC1083 adapter

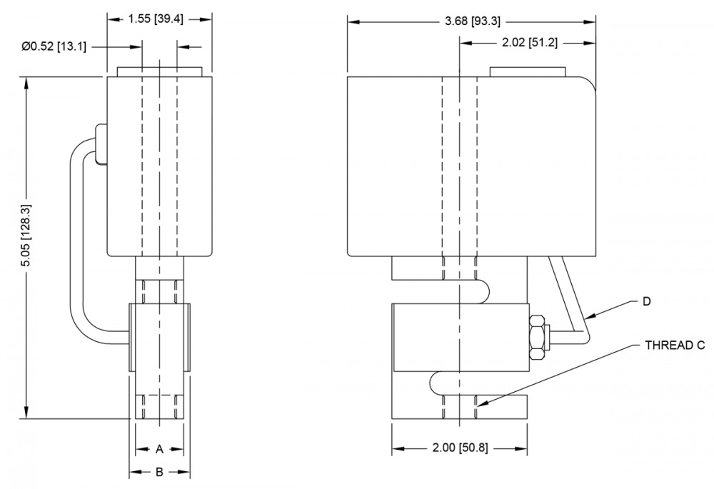
Afmetingen

FS06 Afmetingen
Afmetingen-FS06 Afmetingen


Modelnr.ABSchroefdraad CD
FS06-500.46 [11.7]0.71 [18.0]1/4-28 UNF6.00 [152.4]
FS06-1000.46 [11.7]0.71 [18.0]1/4-28 UNF6.00 [152.4]
FS06-2000.46 [11.7]0.71 [18.0]1/4-28 UNF6.00 [152.4]
FS06-3000.9 [22.6]1.1 [27.9]1/2-20 UNF6.00 [152.4]
FS06-5000.9 [22.6]1.1 [27.9]1/2-20 UNF6.00 [152.4]
Alle afmetingen in inch en [mm]
Capaciteit × Resolutie
ModellbFozFgFkgFNkN
FS06-5050 x 0.02800 x 0.525000 x 1025 x 0.01250 x 0.1-
FS06-100100 x 0.051600 x 150000 x 2050 x 0.02500 x 0.2-
FS06-200200 x 0.13200 x 2-100 x 0.051000 x 0.51 x 0.0005
FS06-300300 x 0.24800 x 5-150 x 0.11500 x 11.5 x 0.001
FS06-500500 x 0.28000 x 5-250 x 0.12500 x 12.5 x 0.001

Gerelateerde Producten

Series F test frames met IntelliMESUR® F105 / F305 / F505 / F505H


  • Installatie, uitvoering en analyse van test gegevens via het geïntegreerde IntelliMESUR® bedieningspaneel
  • Geïntegreerde oplossing voor motion control en gegevensverzameling voor een naadloze interface voor FS05-krachtsensor zonder kabels
  • Plug & Test® systeem werkt ook met (rekstrook) loadcellen van derden via de PTAF-adapter

Meer details

Series F test frames met IntelliMESUR® F105 / F305 / F505 / F505H

Series-F + EasyMesur F105 / F305 / F505 / F505H Series F test frames met EasyMESUR® F105 / F305 / F505 / F505H


  • Geïntegreerde Load cell interface voor FS05-krachtsensor zonder kabels
  • Geïntegreerd bedieningspaneel met touch screen
  • Test opzetten, uitvoeren en analyseren via het geïntegreerde EasyMESUR-bedieningspaneel®

Meer details

Series-F + EasyMesur F105 / F305 / F505 / F505H  Series F test frames met EasyMESUR® F105 / F305 / F505 / F505H

Specificaties

Nauwkeurigheid:±0,15 % van de volle schaal + indicator of testframe
Toelaatbare overbelasting:150 % van de volle schaal
Gewicht:FS06-50 – FS06-200: 0,8 kg
FS06-300 – FS06-500: 0,9 kg
Verzendgewicht:FS06-50 – FS06-200: 1,1 kg
FS06-300 – FS06-500: 1,2 kg

Nu bestellen

Producten

Product
Prijs
Aantal
140343
FS06-50 Force sensor, 50 lbF / 800 ozF / 25 kgF / 25000 gF / 250 N
€ 1.214,00 
140344
FS06-100 Force sensor, 100 lbF / 1600 ozF / 50 kgF / 50000 gF / 500 N
€ 1.214,00 
140345
FS06-200 Force sensor, 200 lbF / 3200 ozF / 100 kgF / 1000 N / 1 kN
€ 1.214,00 
140346
FS06-300 Force sensor, 300 lbF / 4800 ozF / 150 kgF / 1500 N / 1.5 kN
€ 1.214,00 
140347
FS06-500 Force sensor, 500 lbF / 8000 ozF / 250 kgF / 2500 N / 2.5 kN
€ 1.214,00 
Alle genoemde prijzen zijn exclusief btw. en exclusief handelings- en verzendkosten.
Beschikbaarheid: Beschikbaar: 1 - 3 dagen, Levertijd: 1 - 3 weken, speciale bestelling aanvraag

Contact 
Offerte aanvragen
Uw informatie aanvraag is verstuurd!
We nemen zo snel mogelijk contact met u op .
 Informatie