Teller beschikbaar in diverse modellen, zoals hieronder beschreven. 

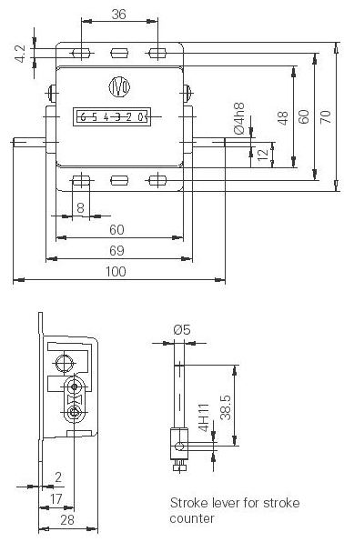
| Display: | 6-cijferig, 999 999 |
| Cijfergrootte: | Ong. 4,5 mm hoog, wit op zwarte achtergrond |
| Reset: | Door de verwijderbare sleutel om te draaien in het slot aan een van de 2 kanten |
| As: | Steekt aan beide zijden uit, Ø 4 mm |
| Behuizing: | Grijs plastic |
| Grondplaat: | Gegalvaniseerd staal |
| Omgevings- temperatuur: | 0...+60 °C |
| Gewicht: | Ong. 130 gr. |
| Manier van tellen: | Telt op in gekozen draai richting, trekt af in omgekeerde richting |
| Meet bereik: | 99.999,9 m (decimaal in rood) |
| Max. snelheid: | Met meetwiel van 20 cm: 100 m/min Zonder wiel: max 300 m/min |