Teller beschikbaar in diverse modellen, zoals hieronder beschreven. 
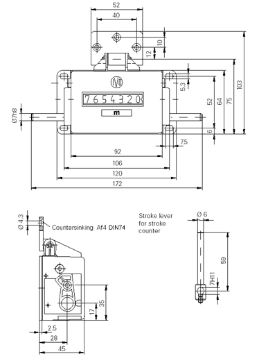
| Display: | 7-cijfers, 9 999 999 |
| Cijfergrootte: | Ongeveer 7 mm hoog, wit op zwart |
| Reset: | Draai de verwijderbare sleutel aan een van de beide zijkanten om te resetten |
| As: | Steekt aan beide zijden uit, Ø 7 mm |
| Behuizing: | Grijs plastic |
| Grondplaat: | Gegalvaniseerd staal |
| Omgevings- temperatuur: | 0 ... + 60 °C |
| Gewicht: | Ong. 350 gr. |
| Manier van tellen: | Telt op in de richting van de slag (naar keuze) 1 slag 1 cijfer |
| Slag beweging: | Min. 38°, max 60° |
| Hendel: | Hendel verstelbaar op as |
| Max. snelheid: | max. 500 slagen/min |