
De Series-5 krachtmeter is compatibel met een breed scala aan (gemotoriseerde) statieven en hulpstukken om aan uw eisen te voldoen.
Deze krachtmeter kan compressie en spanning meten en is verkrijgbaar in 16 bereiken van 0,5 (0.12lb) tot 10 kN (2000lbF).
Een meetfrequentie van 7.000 Hz, een nauwkeurigheid van ±0,1% van de volledige schaal en een resolutie van 1/5000 garanderen dat deze krachtmeter in staat is tot zeer nauwkeurige metingen in een breed scala aan toepassingen en industrieën.
De eenvoudige menu structuur en navigatie door de verschillende instellingen zorgen ervoor dat de operator efficiënt gebruik kan maken van de uitgebreide functies en configureerbare parameters.
De Series-5 Krachtmeter is uitgerust met een geheugen voor maximaal 1000 metingen met statistische berekeningen, gemiddelde kracht over tijd, externe trigger modi en gegevensuitvoer.
Data connectiviteit is voorzien door middel van RS-232, Mitutoyo (Digimatic), USB of analoge uitgangen.
De reeks Digitale Krachtmeters uit de Mark-10-serie is verkrijgbaar in 5 typen, waarbij elk type meter beschikbaar is in een reeks van kracht bereiken..
Ieder type meter heeft zijn eigen specificaties, in onderstaande tabel staan van elk type meter de belangrijkste specificaties.
Alle Series-# meters zijn uitgerust met een oplaadbare batterij, een display met achtergrondverlichting en een omkeerbare aluminium behuizing.
De Series-# Digitale Krachtmeters zijn ontworpen om te worden gebruikt voor het meten van trek- en drukkrachten.
Alle meters behalve de Series-2 hebben een of meerdere uitgangen en worden geleverd met MESUR® Lite data-acquisitiesoftware.
MESUR® Lite tabuleert continue of single-point data. Exporteren naar Excel maakt verdere gegevensverwerking mogelijk.
Mark-10 Digitale Krachtmeters zijn veelzijdige instrumenten, over het algemeen worden ze gecombineerd met extra apparatuur tot een speciaal gebouwd systeem om de vereiste taken uit te voeren.
We helpen u graag bij het samenstellen van de meest geschikte configuratie voor uw behoefte. Aarzel niet om contact met ons op te nemen voor meer informatie.
| Model | lbF | ozF | kgF | gF | N | kN | mN |
|---|---|---|---|---|---|---|---|
| M5-012 | 0,12 x 0,00002 | 2 x 0,0005 | - | 50 x 0,01 | 0,5 x 0.0001 | - | 500 x 0,1 |
| M5-025 | 0,25 x 0,00005 | 4 x 0,001 | - | 100 x 0,02 | 1 x 0,0002 | - | 1000 x 0,2 |
| M5-05 | 0,5 x 0,0001 | 8 x 0,002 | - | 250 x 0,05 | 2,5 x 0,0005 | - | 2500 x 0,5 |
| M5-2 | 2 x 0,0005 | 32 x 0,01 | 1 x 0,0002 | 1000 x 0,2 | 10 x 0,002 | - | - |
| M5-5 | 5 x 0,001 | 80 x 0,02 | 2,5 x 0,0005 | 2500 x 0,5 | 25 x 0,005 | - | - |
| M5-10 | 10 x 0,002 | 160 x 0,05 | 5 x 0,001 | 5000 x 1 | 50 x 0,01 | - | - |
| M5-20 | 20 x 0,005 | 320 x 0,1 | 10 x 0,002 | 10000 x 2 | 100 x 0,02 | - | - |
| M5-50 | 50 x 0,01 | 800 x 0,2 | 25 x 0,005 | 25000 x 5 | 250 x 0,05 | - | - |
| M5-100 | 100 x 0,02 | 1600 x 0,5 | 50 x 0,01 | 50000 x 10 | 500 x 0,1 | - | - |
| M5-200 | 200 x 0,05 | 3200 x 1 | 100 x 0,02 | - | 1000 x 0,2 | 1 x 0,0002 | - |
| M5-300 | 300 x 0,1 | 4800 x 2 | 150 x 0,05 | - | 1500 x 0,5 | 1,5 x 0,0005 | - |
| M5-500 | 500 x 0,1 | 8000 x 2 | 250 x 0,05 | - | 2500 x 0,5 | 2,5 x 0,0005 | - |
| M5-750 | 750 x 0,5 | 12000 x 10 | 375 x 0,2 | - | 3750 x 2 | 3,75 x 0,002 | - |
| M5-1000 | 1000 x 0,5 | 16000 x 5 | 500 x 0,2 | - | 5000 x 2 | 5 x 0,002 | - |
| M5-1500 | 1500 x 1 | 24000 x 20 | 750 x 0,5 | - | 7500 x 5 | 7, 5 x 0,005 | - |
| M5-2000 | 2000 x 1 | 32000 x 20 | 1000 x 0,5 | - | 10000 x 5 | 10 x 0,005 | - |
| Gauge | M5-012 – M5-100 | M5-200 – M5-500 | M5-750 – M5-2000 |
|---|---|---|---|
| Load Cell Draad | #10-32 UNF | 5/16-18 UNC | 1/2-20 UNF F + 2x 10-32 UNF F |
| HEX | 5/16 [7.94] | 11/32 [8.74] | - |


Series 5 krachtmeter wordt geleverd in een draagkoffer met schuimvulling inclusief de volgende items:
| Picture | Accessoires | M5-012 - M5-20 | M5-50 - M5-100 | M5-200 - M5-500 | M7-750 - M5-1000 | M5-1500 - M5-2000 |
|---|---|---|---|---|---|---|
![]() | Verlengingsstang | G1024 | G1024 | G1031 | G1031 | G1031 |
![]() | Conus | G1026 | G1026 | G1033 | G1033 | G1033 |
![]() | Beitel | G1025 | G1025 | G1032 | G1032 | G1032 |
![]() | V-Groef | G1027 | G1027 | G1034 | G1034 | G1034 |
![]() | Plat | G1029 | G1029 | G1036 | G1036 | G1036 |
![]() | Haak | G1028 | G1038 | G1035 | G1042 | - |
![]() | Koppelstuk | - | G1039 | G1037 | - | - |
![]() | Draad Adapter | - | - | - | G1041 | G1041 |
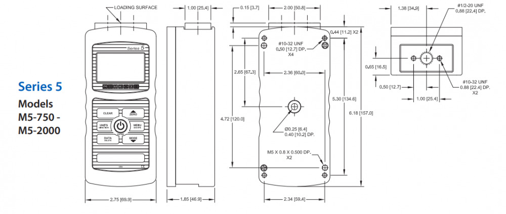
Series-5 Krachtmeters modellen M5-012 tot M5-500 hebben een andere behuizing dan de grotere modellen.
Alle afmetingen zijn genoteerd in inches met metrische maten in [mm] erachter.
Let op: er zijn verschillende schroefdraadaansluitingen aan de achterkant en voor de load cell van de verschillende apparaten.
| Series-7 Professioneel | Series-5 Geavanceerd | Series-4 Prestatie | Series-3 Basis | Series-2 Economisch | |
|---|---|---|---|---|---|
| Nauwkeurigheid | ±0,1% | ±0,1% | ±0,2% | ±0,3% | ±0,5% |
| Meetfrequentie | 14.000 Hz | 7.000 Hz | 3.000 Hz | 2.000 Hz | 500 Hz |
| Resolutie | 1/5.000 | 1/5.000 | 1/2.000 | 1/1.000 | 1/1.000 |
| Meeteenheden | lbF, ozF, gF, kgF, N, kN, mN (afhankelijk van het model) | lbF, ozF, gF, kgF, N, kN, mN (afhankelijk van het model) | lbF, ozF, gF, kgF, N, kN, mN (afhankelijk van het model) | lbF, gF, kgF, N (afhankelijk van het model) | lbF, kgF, N |
| Uitgangen | USB, RS-232, Mitutoyo, Analoog | USB, RS-232, Mitutoyo, Analoog | USB, RS-232, Mitutoyo, Analoog | USB | Nee |
| - RS-232 | Instelbaar tot wel 230.400 baud | Instelbaar tot wel 115.200 baud | Instelbaar tot wel 115.200 baud | Nee | N.v.t. |
| - USB | Instelbaar tot wel 230.400 baud | Instelbaar tot wel 115.200 baud | Instelbaar tot wel 115.200 baud | Instelbaar tot wel 115.200 baud | N.v.t. |
| - Mitutoyo (Digimatic) | Seriële BCD geschikt voor alle Mitutoyo SPC-compatibele apparaten | Seriële BCD geschikt voor alle Mitutoyo SPC-compatibele apparaten | Seriële BCD geschikt voor alle Mitutoyo SPC-compatibele apparaten | Nee | N.v.t. |
| - Analoog | ±1 VDC, ±0,25% FS bij capaciteit. Positief voor compressie, negatief voor spanning | ±1 VDC, ±0,25% FS bij capaciteit. Positief voor compressie, negatief voor spanning | ±1 VDC, ±0,25% FS bij capaciteit. Positief voor compressie, negatief voor spanning | N.v.t. | Nee |
| - Standaard toepassing I/O | Drie open-drain outputs, één input | Drie open-drain outputs, één input | Drie open-drain outputs, één input | N.v.t. | Nee |
| - Instelpunt | Drie open-drain verbindingen | Drie open-drain verbindingen | Drie open-drain verbindingen | N.v.t. | Nee |
| Inclusief Mesur-Lite software | Ja | Ja | Ja | Ja | Nee |
| Data uitgangfunctie | Automatische uitgang doormiddel van de DATA knop of via verzoek vanaf een PC of andere apparaat. | Automatische uitgang doormiddel van de DATA knop of via verzoek vanaf een PC of andere apparaat. | Automatische uitgang doormiddel van de DATA knop of via verzoek vanaf een PC of andere apparaat. (alleen getoonde huidige meting). | Automatische uitgang doormiddel van de DATA knop of via verzoek vanaf een PC of andere apparaat. (alleen getoonde huidige meting). | N.v.t. |
| ASCII commando ingesteld voor externe besturing | Volledige commando reeks | Volledige commando reeks | Alleen “? (opvragen huidige meting) | Alleen “? (opvragen huidige meting) | N.v.t. |
| Interface MESUR® meter en MESUR® Lite | Volledige communicatie | Volledige communicatie | Uitsluitend gegevensuitvoer op één punt of continu | Uitsluitend gegevensuitvoer op één punt of continu | N.v.t. |
| Interface met ESM303 / 750 / 1500 test stands | Volledige communicatie, inclusief PC besturing | Volledige communicatie, inclusief PC besturing | Beperkt tot kracht data, bescherming tegen overbelasting en kracht instelpunten | N.v.t. | Nee |
| Datageheugen | 5.000 metingen, met output | 1.000 metingen, met output | 50 metingen, met output | Nee | Nee |
| Datageheugen verwijdering | Elk individueel gegevenspunt, of wis alles | Elk individueel gegevenspunt, of wis alles | Elk individueel gegevenspunt, of wis alles | N.v.t. | N.v.t. |
| Statistische berekeningen en uitvoer naar pc | Max, min, gemiddeld, standaard. dev., aantal metingen, met output | Max, min, gemiddeld, standaard. dev., aantal metingen, met output | Max, min, gemiddeld, standaard. dev., aantal metingen, met output | N.v.t. | N.v.t. |
| Breuk detectie | Ja | Nee | Nee | Nee | Nee |
| 1ste / 2de piek detectie | Ja | Nee | Nee | Nee | Nee |
| Programmeerbare voetschakelaar besturingskabel | Ja | Nee | Nee | Nee | Nee |
| Gemiddeld mode | Ja | Ja | Nee | Nee | N.v.t. |
| Externe trigger-modus | Ja | Ja | Nee | Nee | Nee |
| Analoge belastingsbalkgrafiek weergegeven op het display | Ja | Ja | Ja | Ja | Nee |
| Instelpunten (voor goed/afkeur-indicatie) | Ja met hoog / laag indicatoren, markeringen op analoog staafdiagram en outputs | Ja met hoog / laag indicatoren, markeringen op analoog staafdiagram en outputs | Ja met hoog / laag indicatoren, markeringen op analoog staafdiagram en outputs | Ja Ja met hoog / laag indicatoren, markeringen op analoog staafdiagram en outputs | Nee |
| Wachtwoord beveiliging | Ja, voor kalibratie en individuele toetsen | Ja, voor kalibratie en individuele toetsen | Nee | Nee | Nee |
| Piekwaarden worden altijd weergegeven | Ja | Ja | Ja | Ja | Nee (Peak mode must be selected) |
| Programmeerbare akoestische tonen | Ja | Ja | Ja | Ja | Nee |
| Kalibratie procedure | Configureerbaar aantal datapunten (tot 10 in elke richting) | Configureerbaar aantal datapunten (tot 10 in elke richting) | Configureerbaar aantal datapunten (tot 10 in elke richting) | Configureerbaar aantal datapunten (tot 10 in elke richting) | Configurable number of data points (up to 10 in each direction) |
| Uitgangen overbelasting | Speciale pinnen voor spanning en compressie | Speciale pinnen voor spanning en compressie | Speciale pinnen voor spanning en compressie | Nee | N.v.t. |
| Overbelastingsbeveiliging | 200% van volledige schaal (display toont waarschuwing bij 110% en hoger) | 200% van volledige schaal (display toont waarschuwing bij 110% en hoger) | 200% van volledige schaal (display toont waarschuwing bij 110% en hoger) | 200% van volledige schaal (display toont waarschuwing bij 110% en hoger) | 200% van volledige schaal (display toont waarschuwing bij 110% en hoger) |
| Nauwkeurigheid | ±0,1% van volledige schaal |
| Bemonsteringssnelheid | 7.000 Hz |
| Voeding | AC voeding of oplaadbare batterij. Lage batterijspanning indicator verschijnt wanneer batterij bijna leeg is, meter schakelt automatisch uit wanneer de accu bijna leeg is |
| Levensduur batterij | Achtergrond verlichting aan: tot 7 uur continu gebruik Achtergrond verlichting uit: tot 24 uur continu gebruik |
| Meeteenheden | lbF,ozF,gF,kgF,N,kN,mN (afhankelijk van de uitvoering) |
| Uitgangen | USB / RS-232: Volledig instelbaar tot 115.200 baud. Inclusief besturingscontrole taal 2 voor volledige computer besturing. Mitutoyo (Digimatic): Seriële BCD geschikt voor alle Mitutoyo SPC-compatibile apparaten. Analoog: ±1 VCD, ±0.25% van volledige schaal Algemene toepassing: Drie open-lijn uitgangen, één ingang Instelpunten: Drie open lijnen |
| Instellingen | Digitale filters, uitvoer, automatische uitvoer (via USB/RS-232), automatische uitschakeling, standaard instellingen, gemiddelde-mode, externe trigger, wachtwoorden, toetsenbord tonen, geluidssignalen, achtergrondverlichitng, kalibratie |
| Beveiliging tegen overbelasting | 200% van volledige schaal (display geeft "OVER" weer bij 110% en hoger) |
| Gewicht (enkel meter) | M5-012 - M5-100: 0,45 kg [1.0 lb] M5-200 - Mg-500: 0,54 kg [1.2 lb] M5-750 - M5-2000: 0,8 kg [1.8 lb] |
| Verzendgewicht | M5-012 - M5-100: 1,4 kg [3 lb] M5-200 - M5-500: 1,6 kg [3.2 lb] M5-750 - M5-2000: 2,3 kg [5 lb] |
| Omgevingsomstandigheden | 0 - 40°C [40 – 100°F], max. 96% luchtvochtigheid, niet-condenserend |
| Meegeleverde accessoires | Draagkoffer, beitel, conus, V-groef, haak, platte kop, verlengstuk, AC adapter, batterij, USB kabel met driver, MESURgauge DEMO software, NIST-traceerbaar kalibratiecertificaat met data |
| Garantie | 3 jaar |